HANSGROHE Thermostat Highflow 59 l/ min Unterputz, 15756000

CHF 529.70 incl tax
excluding shipping

Artikelnummer: 15756000

Sicherheitssperre bei 40°C

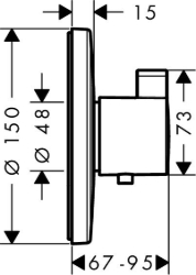
Durchflussmenge: 59 l/min

Anschlussart: Grundkörper

Oberflächen: chrom

Oberflächen: Andere Oberflächen nach Anfrage

SKU: 15756000
*
*
*