Hersteller: GF Piping Systems

+GF+ ELGEF Plus Anbohrschelle PE100 d63-400mm / SDR11 / Mit 360° drehbarem Abgang, d mm: 225, Art.Nr.: 193131525

CHF 225.40
CHF 169.05
exklusive Versand

Artikelnummer: 193131525

+GF+ Code: 193.131.525

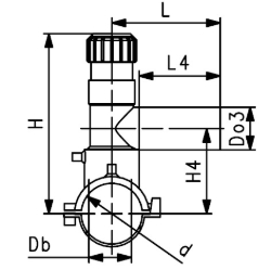
d1 mm: 40

d2 mm: 32

H mm: 266

H1 mm: 188

Serie: 5

Nenndruck max.: 16bar

SVGW-Nr. Wasser: 9506-K192

SVGW-Nr. Gas: 02-014-9

L1 mm: 81

z mm: 137

Artikelnummer: 193131525
*
*
*